A Deceptive Output Speed Sensor Code on the RE7R01B Transmission

Dana Deeke - Diagnostician Published — November 2025
Diagnostician - Dana Deeke About Dana Deeke

Dana joined with Certified Transmission in 1991. Dana has worked in all positions at the Lincoln location, starting as an R&R technician and is now our current diagnostician for our Lincoln, NE facility. He enjoys car racing and spending time with family and friends.

Summary

In this article, diagnostician Dane Deeke describes how a 2014 Infiniti QX80 with an RE7R01B transmission presented with a P0720 output speed sensor code and a no-upshift condition that only appeared once the vehicle warmed up, ultimately revealing a deceptive fault path. Although the sensor initially seemed suspect, Deeke's methodical inspection - fluid and wiring checks, pan removal, debris inspection, and lab scope testing-showed that the sensor produced a clean signal and that the real failure occurred within the transmission's integrated TCM once heat caused the module to stop interpreting the signal. Because the TCM is built into the valve body, the proper fix was valve body replacement rather than sensor replacement, which would have involved unnecessary labor and still not addressed the root cause. After installing the new valve body/TCM assembly and refilling with OEM fluid, the transmission operated normally, reinforcing the broader takeaway: on RE7R01A/B units, a P0720 code can point to TCM signal-processing failure rather than a bad sensor, and verifying waveform integrity before replacing hard-to-access components is essential for accurate, efficient repair.

Article

From time to time, we run into drivability issues that seem straightforward at first glance but end up leading us down a very different diagnostic path. Within our own shops, we do a good job sharing these experiences with one another, but it's equally valuable to share them with the broader industry. Many of us see the same vehicles and patterns, but we may not always take the time to compare notes beyond our own facilities. With that in mind, this case involves a somewhat misleading trouble code and symptom that may save someone else time in the bay.

The vehicle in question was a 2014 Infiniti QX80 equipped with the 5.6L VK56VD engine and the RE7R01B 7-speed automatic transmission. The customer concern was that the vehicle lacked power and would not shift beyond third gear. As with any repair, I like to begin with the basics: visual inspection, underhood and underbody checks, all fluid levels, and a full-system scan of every module.

Our standard inspection procedure includes verifying engine oil and coolant levels, looking for leaks, and noting any irregular findings before even putting the vehicle into gear. It's worth mentioning that this process has caught numerous unrelated problems over the years-issues that would have affected the repair outcome or even caused additional damage if overlooked.

On this vehicle, the transmission fluid appeared dark red to brown. It didn't smell burnt, but the fluid was clearly past its prime. Underbody inspection showed no leaks, and engine oil and differential levels were normal.

A full module scan revealed DTC P0720 (Output Speed Sensor Circuit). Other codes were present in the telematics and audio-visual systems, but nothing related to powertrain control. With the transmission code identified, the focus turned to diagnosing the output speed sensor issue.

With the scan tool connected, I road tested the vehicle. For the first couple of miles, everything worked normally. I had cleared the codes before driving, and nothing returned right away. However, once the vehicle reached operating temperature, the symptoms became clear: the transmission would not upshift beyond third gear, and the output speed sensor signal flatlined on the scan tool data stream. The P0720 code reset.

This was the confirmation I needed. A heat-related dropout of the output shaft speed signal was causing the TCM to force the transmission into a failsafe strategy.

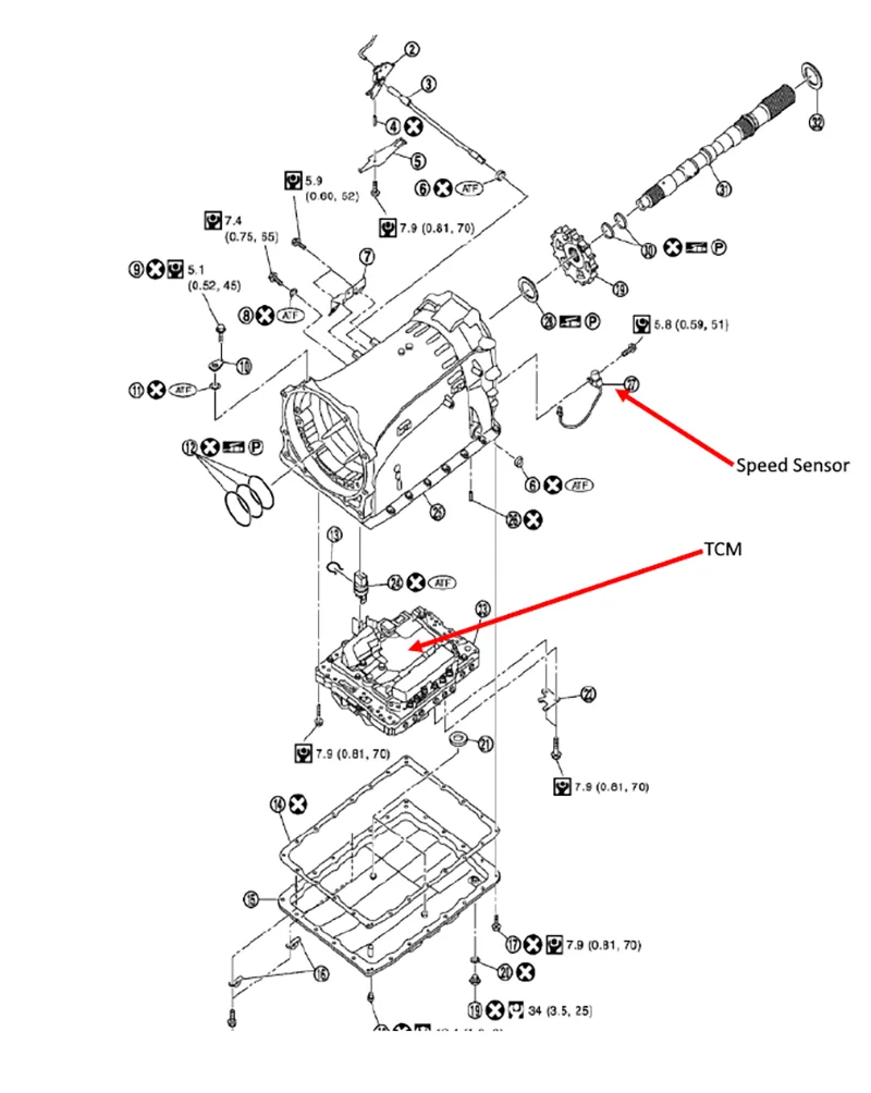
The output speed sensor on the RE7R01B is located on the rear of the transmission, which means it cannot be accessed from inside the pan. (Figure 1)

Article Figure 1

Figure 1

While this sensor sits externally, its pigtail and wiring harness junction are accessible once the pan is removed. The TCM in this transmission is integrated into the valve body, which complicates direct component testing.

Before disassembling anything, I checked power, ground, and CAN communication circuits at the transmission case connector. Battery feed, ignition power, and both CAN high and low signals tested within spec. Nothing suggested wiring or power loss. (Figure 2)

Article Figure 2

Figure 2

Next, I raised the vehicle and dropped the transmission pan to gain access to the internal harness and inspect for debris. The pan and filter were clean, showing no signs of metal, clutch material, or sludge contamination. This was good news - it suggested that the failure was likely electronic and not mechanical.

With the pan off, I inspected the internal wiring and connectors closely. No chafing, corrosion, loose terminals, or moisture intrusion was present. At this point, I needed to determine whether the output speed sensor was actually producing a signal.

With the pan already removed, I connected a lab scope to the output shaft speed sensor circuit and had an assistant rotate the rear wheels with the ignition on. The scope produced a consistent AC waveform, indicating the speed sensor itself was functioning correctly. This aligned with the earlier observation that the sensor only failed once the system heated up and the TCM began to struggle reading the signal.

This pointed strongly toward an internal TCM failure, specifically, the signal processing portion of the module. Since the TCM is part of the valve body, the correct repair is valve body replacement rather than just replacing the sensor. Replacing only the sensor would also require removing the transfer case-significant labor for a part that was likely not the actual cause.

Article Figure 3

Figure 3

After verifying availability and pricing, the customer authorized replacement of the valve body/TCM assembly. Once installed, we replaced the filter and refilled with factory-specified fluid. It is always best practice to use the correct OEM fluid; these newer multi-speed transmissions are highly sensitive to fluid friction characteristics. Substituting aftermarket fluid can easily create new issues.

The vehicle was road tested through multiple cycles, including heat soak runs. The transmission shifted smoothly, no codes returned, and the output speed signal remained stable. After confirming consistent operation, we released the vehicle back to the customer. The vehicle has remained trouble-free since.

This case is a good reminder that not all speed sensor codes are truly about failed sensors. On the RE7R01B transmission family, a P0720 may indicate a failing TCM rather than a sensor or wiring problem-especially if symptoms develop only after the transmission warms up and fluid reaches operating temperature.

So the takeaway is this:

If you encounter an output speed sensor code on a Nissan/Infiniti RE7R01A/B transmission, don't rush into replacing the sensor. Verify the signal. If the sensor waveform looks clean but the TCM fails to interpret it intermittently, the valve body/TCM assembly is likely the true cause.

Taking the time to check signal integrity before replacing hard-to-access parts can prevent unnecessary labor and ensure a correct, confidence-backed repair.